关键词:
【学习二十大】
【远东亮点】
【招生】
首页
2026世界杯南美洲预选赛直播
世界杯直播吧
哪个平台可以看世预赛
哪里可以看足球直播
校园风景
党的建设
组织机构
今晚亚洲杯赛国足直播
党群机构
世界杯预选赛直播
教辅机构
教学科研
教务工作
科研工作
世预赛免费直播入口
大中小学思政课一体化建设
人事人才
人事工作
教师发展
继续教育
学团工作
学生工作
共青团
学风建设
招生就业
招生工作
就业工作
世界杯今日赛程直播
信息公开
投诉建议
馆藏资源
生活服务
网上办公
师德师风
理论学习
政策法规
警示教育
师者说
大赛通知
首页新闻
通知公告
校园动态
学生管理
世界杯在线直播入口
学生活动
教学管理
学院官网
就业新闻
学生资助
教务新闻
志愿服务
学生风采
党建工作
就业指导
教育文件
教师培训
夏季高考
政策文件
教学单位
党委部门
信息公开
招生计划
招生简章
常用服务
专业设置
师资队伍
远东大事记
招生工作
师资团队
两岸交流
他山之石
诊改动态
校友工作
招生章程
在线咨询
热点问答
单独招生
中专招生
录取查询
成人教育
五年制高职
春季高考
三年制大专
组织建设
教学工作
十九大专题
推普宣传
政策法规
新闻动态
学生奖惩
学院概况
部门新闻
大赛通知
大赛动态
媒体远东
校园图册
人事招聘
部门职责
规章制度
学习园地
章程建设
人才招聘
投诉建议
部门简介
工作动态
质量监控
专业课程
媒体关注
学籍管理
党建工作大家谈
发展规划
计算机等级考试
英语四六级考试
学位英语考试
学习资料
学习行动
教务管理
政策文件
国际交流
职教专栏
学校层面
夏季高考班
三年制中专
五年制大专
教师风采
教书育人楷模
最美教师
校园风采
机构设置图
行政单位
当前位置:
首页
>
首页新闻
>
大赛通知
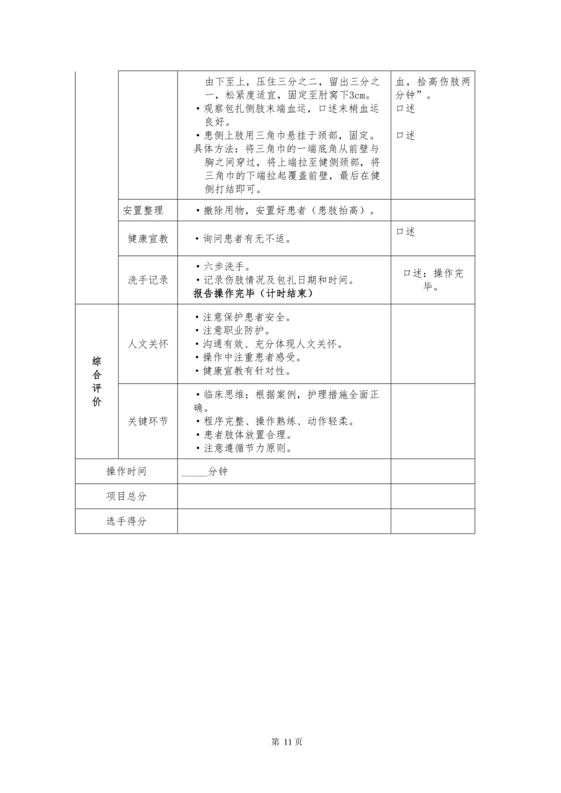
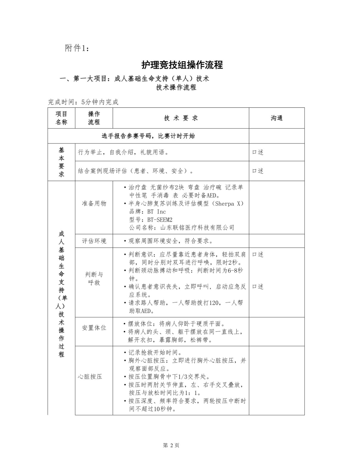
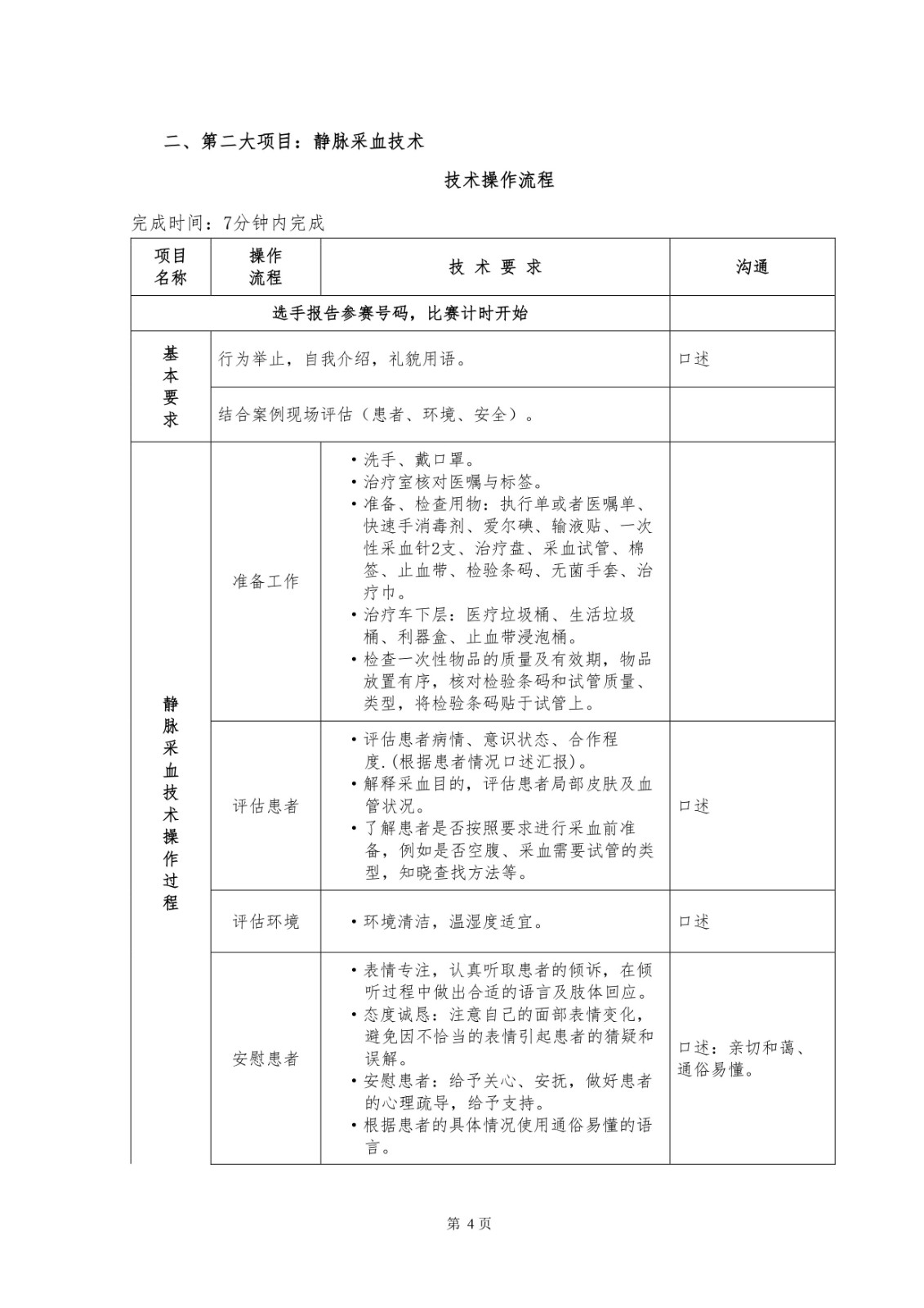
关于印发《第二届山东省大学生医养健康创新创业大赛》护理竞技组操作流程及首轮评选的通知
发布: 2021-10-09 18:52:10
作者: 超级管理员
点击:
0
次
上一篇:
公告
下一篇:
关于第十三届山东省大学生科技节--“联桥杯”医养健康 创新创业大赛决赛制作项目展示海报的公告
山东省教育招生考试院
高校毕业生就业信息网
山东省教育厅
中华人民共和国教育部
中国大学生网
山东万众技工学校(世界杯直播网附属技工学校)
校区地址
曲阜高铁校区(孔子故里)
电话:0537-4507998
地址:山东省曲阜市曲阜东高铁站西200米孔子大道1号
曲阜石门山校区(孔子故里)
电话:0537-4507999
地址:山东省曲阜市石门山风景区远大路1号
关注我们
@微信公众号
@抖音
@山东省高校接诉即办
世界杯直播观看入口